聯(lián)系我們CONTACT US
河北巨健軸承制造有限公司
聯(lián)系人:王文志
手機:18903191608
手機:18103198797
地址:河北省邢臺市臨西縣軸承工業(yè)園區(qū)電力東街(河北巨健軸承制造有限公司)
外球面軸承網(wǎng)站首頁: > 產品中心 > 外球面軸承

外球面球軸承實際上是深溝球軸承的一種變型,特點是它的外圈外徑表面為球面,可以配入軸承座相應的凹球面內起到調心的作用,帶座外球面軸承是將滾動軸承與軸承座結合在一起的一種軸承單元,大部分外球面軸承都是將外徑做成球面,與帶有球狀內孔的軸承座安裝在一起,結構形式多樣,通用性和互換性好。
同時,此類軸承在設計上也具有一定調心性,易于安裝,具有雙重結構的密封裝置,可以在惡劣的環(huán)境下工作。
外球面球軸承依照與軸的合作方法來分能夠分為三大類:
帶頂絲外球面球軸承
UC200系列(輕型系列) 、UC300系列(重型系列) 、及 變形產物UB(SB)200系列;
帶錐度外球面球軸承
UK200系列、UK300系列;
帶偏心套外球面球軸承
UEL200系列、UEL300系列、SA200系列
帶座外球面軸承可分為:
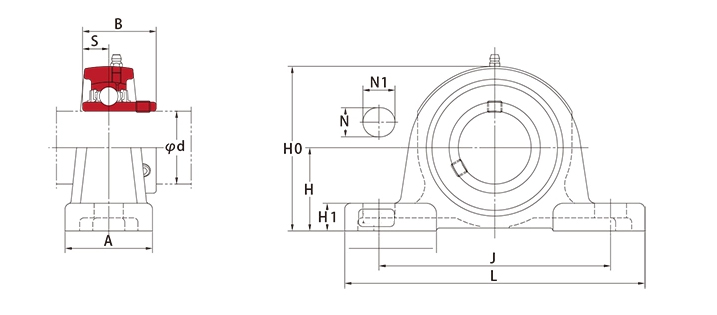
帶立式座外球面球軸承 UCP系列
帶方形座外球面軸承 UCF系列
帶滑塊座外球面球軸承UCT系列
帶菱形座外球面球軸承 UCFL系列
帶圓形座外球面球軸承UCFC系列
帶環(huán)形座外球面球軸承UCC系列
帶懸吊式座外球面球軸承UCHA系列
帶懸掛式座外球面球軸承UCFB系列
帶沖壓座外球面球軸承
帶其他座的外球面球軸承
